
こんにちは(^_^)
山梨県で『第78回全日本バレーボール高等学校選手権大会 県代表決定戦』女子の試合が始まります。
高校バレーの最高峰の大会である『春の高校バレー』に出場する為の代表権獲得に向け全員頑張ってください。
1年・2年生は3年生との最後の試合であり、3年生は高校バレーの締めくくりとして悔いの残らない試合を見せてほしいです。
◆他県の試合情報は下記を参照下さい。
◆要項・組合せの情報は、下記記事を参照下さい。
◆男子試合結果は、下記記事を参照下さい。
大会要項
大会日程
第78回 全日本バレーボール高等学校選手権大会
山梨県代表決定戦
令和7年10月18日(土)〜10月19日(日)
令和7年10月26日(日)
会 場
10/18(土)
男子 日川TC、都留興譲館高校
女子 笛吹高校、巨摩高校
10/19(日)
男女 いちのみや桃の里スポーツ公園体育館
10/26(日)
男女 小瀬スポーツ公園体育館
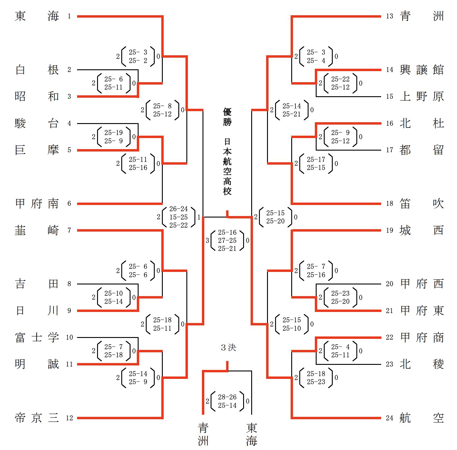
組合せ

試合結果

1回戦 10月18日(土)
・Aブロック・
| Eコート 1試合目 | ||||
| 白 根 | 0 | 6-25 11-25 | 2 | 甲府昭和 |
| Eコート 2試合目 | ||||
| 駿台甲府 | 0 | 19-25 9-25 | 2 | 巨 摩 |
・Bブロック・
| Hコート 2試合目 | ||||
| 吉 田 | 0 | 10-25 14-25 | 2 | 日 川 |
| Hコート 1試合目 | ||||
| 富士学苑 | 0 | 7-25 18-25 | 2 | 日大明誠 |
・Cブロック・
| Gコート 1試合目 | ||||
| 都留興譲館 | 2 | 25-22 25-12 | 0 | 上野原 |
| Gコート 2試合目 | ||||
| 北 杜 | 2 | 25-9 25-12 | 0 | 都 留 |
・Dブロック・
| Fコート 2試合目 | ||||
| 甲府西 | 0 | 23-25 20-25 | 2 | 甲府東 |
| Fコート 1試合目 | ||||
| 甲府商業 | 2 | 25-4 25-11 | 0 | 北 稜 |
2回戦 10月18日(土)
・Aブロック・
| Eコート 3試合目 | ||||
| 東海大甲府 | 2 | 25-3 25-2 | 0 | 甲府昭和 |
| Eコート 4試合目 | ||||
| 巨 摩 | 2 | 25-11 25-16 | 0 | 甲府南 |
・Bブロック・
| Hコート 4試合目 | ||||
| 韮 崎 | 2 | 25-6 25-6 | 0 | 日 川 |
| Hコート 3試合目 | ||||
| 日大明誠 | 0 | 14-25 9-25 | 2 | 帝京第三 |
・Cブロック・
| Gコート 3試合目 | ||||
| 青 洲 | 2 | 25-3 25-4 | 0 | 都留興譲館 |
| Gコート 4試合目 | ||||
| 北 杜 | 0 | 17-25 15-25 | 2 | 笛 吹 |
・Dブロック・
| Fコート 4試合目 | ||||
| 甲府城西 | 2 | 25-7 25-14 | 0 | 甲府東 |
| Fコート 3試合目 | ||||
| 甲府商業 | 0 | 18-25 23-25 | 2 | 日本航空 |
準々決勝 10月18日(土)
・Aブロック・
| Eコート 5試合目 | ||||
| 東海大甲府 | 2 | 25-8 25-12 | 0 | 巨 摩 |
・Bブロック・
| Hコート 5試合目 | ||||
| 韮 崎 | 0 | 18-25 11-25 | 2 | 帝京第三 |
・Cブロック・
| Gコート 5試合目 | ||||
| 青 洲 | 2 | 25-14 25-21 | 0 | 笛 吹 |
・Dブロック・
| Fコート 5試合目 | ||||
| 甲府城西 | 0 | 15-25 10-25 | 2 | 日本航空 |
準決勝 10月19日(日)
| Aコート 1試合目 | ||||
| 東海大甲府 | 1 | 24-26 25-15 22-25 | 2 | 帝京第三 |
| Aコート 2試合目 | ||||
| 青 洲 | 0 | 15-25 20-25 | 2 | 日本航空 |
決勝戦 10月19日(日)
| 3位決定戦 3試合目 | ||||
| 東海大甲府 | 0 | 26-28 14-25 | 2 | 青 洲 |
決勝戦 10月26日(日)
| 特設コート 2試合目 | ||||
| 帝京第三 | 0 | 16-25 25-27 21-25 | 3 | 日本航空 |
最終順位
優 勝 日本航空高校(3年ぶり8回目)
準優勝 帝京第三高校
3 位 青洲高校
4 位 東海大甲府高校
まとめ
2025年度『第78回全日本バレーボール高等学校選手権大会 山梨県代表決定戦』女子の全試合が終了しました。
今年度見事に優勝し県代表権を獲得したのは、日本航空高校でした。関係者の皆さん本当におめでとうございます。
日本航空高校は、3年ぶり8回目の春高出場となりました。
1月に開催される春高本戦では、活躍を祈っております。
◆山梨県高校ランキング及び過去順位は下記記事を参照下さい。





















